Skip to content Skip to sidebar Skip to footer

GB- MOTORS.COM
Pièces Sunbeam Alpine

Pour toutes autres pièces Sunbeam  non contenues dans le magasin ainsi que pour les pièces d’autres anglaises classiques , vous pouvez faire votre demande via le formulaire de contact.

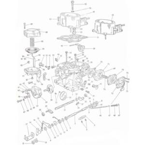
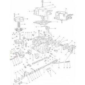
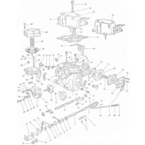
Carburateur SOLEX B32 PAIA

Filters