Skip to content Skip to footer
← Retour à l'accueil

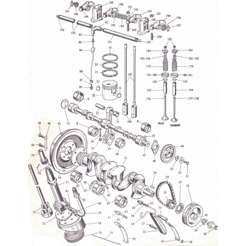
Jeu coussinets vilebrequin S1-4

99,00 

Alpine S 1/2/3/4

Pièce 29

M11

Panier

Votre panier est vide.

Guaranteed safe checkout

Payment System Payment System Payment System Payment System
 
Need Help? Call Us +1 255 854 55 26
Monday - Friday 9:00 - 17:00

Description

Delivery Info

  • Standard and Express delivery services are available for all items.
  • Shipping costs are calculated at the checkout page (after delivery option & destination confirmation).
  • Tracking is available for all delivery options.
  • Items are delivered during standard business hours.

Reviews (0)